فلوسوئیچ چیلر که به عنوان سنسور جریان یا سوئیچ جریان نیز شناخته میشود، یک دستگاه ضروری برای کنترل و نظارت بر جریان و فشار مایعات، هوا یا گاز در سیستمهای مختلف است. این ابزار با دقت بالا جریان سیالات را تنظیم کرده و در صورت افزایش یا کاهش بیش از حد جریان، با فعالسازی آلارم و ارسال سیگنال الکتریکی به پیالسی یا کنترلر، از تجهیزات محافظت میکند. فلوسوئیچها نقشی کلیدی در بهینهسازی عملکرد و افزایش ایمنی تجهیزات صنعتی ایفا میکنند. اگر به دنبال بهترین فلوسوئیچ چیلر برای نیازهای خود هستید، میتوانید برای دریافت لیست قیمت روز فلوسوئیچ، خرید یا گارانتی محصول، دانلود کاتالوگ سوئیچ جریان و ثبت سفارش با واحد مشاوره فنی مسترکول تماس بگیرید.(86072003) (09203994262)

فلوسوئیچ چیلر یکی از قطعات اساسی در سیستمهای تبرید و کنترل است که وظیفه آن شناسایی و کنترل جریان مایعات است. این دستگاه به شکل خودکار عمل کرده و در صورتی که جریان مایع از مقدار تعیینشده کمتر یا بیشتر باشد، فلوسوئیچ فرمانی به سیستم کنترل ارسال میکند تا وضعیت بهینه حفظ شود. یکی از مهمترین وظایف فلوسوئیچ در چیلرهای تراکمی، اطمینان از جریان مداوم مایع خنککننده است تا کارایی سیستم حفظ و مشکلات ناشی از قطع یا کمبود جریان پیشگیری شوند.

فلوسوئیچهای جریان در انواع مختلف از جمله فلوسوئیچهای خطی و تیغهای و از برندهای معتبر مانند ساگینومیا،هانیول،جانسون کنترل، اینداستری تکنیک تولید میشوند. هر فلو سوئیچ بسته به شرایط فرآیندی، محدوده جریان، نوع اتصال، سیال مورد استفاده و دیگر پارامترهای مهم انتخاب میشود تا بهترین عملکرد را ارائه دهد.از پرکاربرد ترین فلوسوئیچ ها می توان به مدل F261KAH-V01C اشاره کرد از این دستگاهها میتوان برای بهبود کارایی و افزایش عمر سیستمهای چیلر استفاده کرد و با توجه به ضرورت کنترل دقیق جریان، اهمیت استفاده از یک فلوسوئیچ باکیفیت و از برند معتبر دوچندان میشود.

قیمت فلوسوئیچ چیلر تراکمی بسته به برند، کیفیت ساخت و نوع فلوسوئیچ متفاوت است. از آنجا که این دستگاهها با کمک فناوریهای پیشرفته و مواد باکیفیت تولید میشوند، قیمت آنها میتواند متفاوت باشد و در بازههای قیمتی مختلفی قرار گیرد. برای مشاهده لیست قیمت روز فلوسوئیچ چیلر و آگاهی از تخفیفها و پیشنهادهای ویژه، میتوانید به وبسایت مستر کول مراجعه کرده و از جدیدترین قیمتها مطلع شوید.برای کسب اطلاعات بیشتر و دریافت مشاوره، کافیست با تیم متخصص ما تماس بگیرید و از خدمات ما بهرهمند شوید.

فلوسوئیچ چیلر، یک سوئیچ جریان مایع است که برای نظارت بر جریان سیال در سیستمهای خنککننده تراکمی طراحی شده است. این دستگاه که در بخشهای حساس چیلر نصب میشود، با شناسایی و اندازهگیری جریان آب یا مبرد، از ورود جریان به نقاط ضروری اطمینان حاصل میکند و در صورت نبود جریان مناسب، سیستم کنترل را از وضعیت هشدار مطلع میسازد. عملکرد فلوسوئیچ چیلر به این صورت است که هرگونه تغییر در جریان سیال را بهسرعت شناسایی کرده و از طریق سیگنال، اطلاعات لازم را به واحد کنترل ارسال میکند. این اقدام نه تنها از اختلالات احتمالی در عملکرد دستگاه جلوگیری میکند، بلکه میتواند آسیبهای جدی به قطعات اصلی سیستم، مانند کمپرسور و کندانسور را کاهش دهد. با استفاده از فلوسوئیچ چیلر میتوان از کارکرد صحیح و یکنواخت سیستم خنککننده اطمینان حاصل کرد و هزینههای تعمیرات را کاهش داد.

در انتخاب فلوسوئیچ، یکی از نکات مهم، توجه به برند و سازنده آن است. برندهای معتبر جهانی در تولید فلوسوئیچهای چیلر نقش مهمی دارند و هر یک ویژگیها و مزایای خاص خود را به مشتریان ارائه میدهند.

در بازار تجهیزات خنککننده، چندین برند معتبر در تولید فلوسوئیچهای چیلر فعالیت میکنند که از معروفترین آنها میتوان به اینداستری تکنیک، جانسون کنترل و ساگینومیا اشاره کرد. هرکدام از این برندها به دلیل کیفیت و دقت بالای محصولات، بهطور گسترده در صنایع مختلف استفاده میشوند. اینداستری تکنیک با بهرهگیری از فناوریهای روز دنیا، محصولاتی با دوام و مقاوم در برابر شرایط سخت محیطی تولید میکند. جانسون کنترل که یکی از پیشگامان تولید تجهیزات کنترل جریان در دنیا محسوب میشود، فلوسوئیچهای باکیفیتی ارائه میدهد که در انواع چیلرهای تراکمی کاربرد دارد. همچنین ساگینومیا، برند ژاپنی معروف، با تمرکز بر کیفیت و نوآوری، فلوسوئیچهایی را تولید میکند که از نظر دقت و عملکرد در سطح بالایی قرار دارند. هرکدام از این برندها با بهرهگیری از تکنولوژیهای نوین، محصولات مقاوم و با دقتی را به بازار عرضه میکنند که توانایی پاسخگویی به نیازهای مختلف صنایع را داراست.

فلوسوئیچ اینداستری تکنیک: این برند با تمرکز بر تکنولوژیهای نوین، فلوسوئیچهای باکیفیت و مقاومی تولید میکند که مناسب برای انواع سیستمهای چیلر هستند. محصولات اینداستری تکنیک با بهرهگیری از آخرین تکنولوژیهای روز و مواد باکیفیت، علاوه بر دوام، عملکرد بهینهای را به کاربران ارائه میدهند.

فلوسوئیچ جانسون کنترل: برند جانسون کنترل از تولیدکنندگان پیشرو در زمینه کنترل و مدیریت سیستمهای تبرید و تهویه مطبوع است. فلوسوئیچهای تولید شده توسط جانسون، از دقت بالا و کیفیت قابل توجهی برخوردار بوده و به دلیل مقاومت در شرایط سخت، مناسب استفاده در سیستمهای مختلف چیلر هستند.

فلوسوئیچ ساگینومیا: این برند ژاپنی با تمرکز بر کیفیت و عملکرد محصولات، فلوسوئیچهایی با دوام و کاربردی تولید میکند. محصولات ساگینومیا به ویژه در سیستمهای چیلر تراکمی، بازدهی بالایی داشته و به دلیل مقاومت در برابر دما و فشار، گزینهای ایدهآل برای مصرفکنندگان محسوب میشوند.

به بررسی انواع سوئیچ جریان یا فلوسوئیچ میپردازیم که به عنوان یکی از تجهیزات اصلی اندازهگیری جریان یا فلو به شمار می رود در سیستمهای صنعتی شناخته میشود. فلوسوئیچها در انواع مختلفی طراحی شدهاند که هر یک برای اندازهگیری جریان خطی، غیرخطی، حجمی یا جرمی مایعات و گازها عملکرد خاصی دارند. این سوئیچهای جریان براساس نوع سیال، شیوه عملکرد و کاربردهای متنوع دستهبندی میشوند تا پاسخگوی نیازهای گوناگون صنعتی باشند.
به همین دلیل، پیش از انتخاب و نصب فلوسوئیچ، داشتن درکی روشن از هدف طراحی و نحوه عملکرد سیستم ضروری است تا اطمینان حاصل شود که دستگاه به بهترین شکل با نیازهای فرآیند هماهنگ خواهد بود.

فلو سوئیچهای تیغهای یا پدالی، که به نام سوئیچ جریان پدالی نیز شناخته میشوند، از جمله محبوبترین تجهیزات نظارت و کنترل جریان سیالات در خطوط لوله هستند. این دستگاهها با داشتن یک تیغه یا پره که در مسیر جریان قرار میگیرد، قادرند جریان سیال را پایش کنند و با رسیدن نرخ جریان به نقطه تنظیمی (ست پوینت)، سیگنال قطع یا وصل را به تجهیزات دیگر مانند پمپها، کمپرسورها و سیستمهای برودتی ارسال کنند. فلو سوئیچهای پدالی دارای اجزایی همچون بدنه، سنسور و مکانیزم سوئیچینگ هستند که پس از نصب بر روی خط لوله، عملکردی مطمئن برای حفاظت و کنترل جریان ارائه میدهند.

هنگامی که سیال در خط لوله جریان مییابد و به سرعت تنظیمی مشخصی میرسد، نیروی آن تیغه را حرکت داده و منجر به تغییر وضعیت در کنتاکت الکتریکی دستگاه میشود. این تغییر وضعیت به ارسال یک سیگنال الکتریکی منجر شده و با کاهش یا افزایش جریان از مقدار تنظیمی، فرمان قطع یا وصل به دستگاههای مرتبط منتقل میشود. فلو سوئیچهای پدالی به طور گسترده در صنایع گوناگونی نظیر HVAC (سیستمهای گرمایشی، تهویه مطبوع)، سیستمهای آب و فاضلاب، چیلرها و سیستمهای برودتی، اطفای حریق، تجهیزات پزشکی و صنایع شیمیایی و اتوماسیون صنعتی کاربرد دارند. این سوئیچها علاوه بر نظارت دقیق بر جریان سیال، از تجهیزات حساس مانند پمپها، موتورها و سیستمهای سرمایشی و گرمایشی محافظت کرده و به بهینهسازی عملکرد آنها کمک میکنند.
فلوسوئیچهای خطی با طراحی منحصر به فرد خود، بهطور مستقیم در مسیر جریان سیال قرار میگیرند و از یک تیغه داخلی برای کنترل عملکرد خود بهره میبرند. این دستگاهها به گونهای تنظیم میشوند که با تغییرات در جریان سیال، سیگنال الکتریکی قطع یا وصل را صادر کنند. عملکرد فلوسوئیچهای خطی مشابه سوئیچهای پدالی است، اما تیغه در داخل سوئیچ قرار دارد، که باعث میشود در پاسخ به تغییرات جریان بر اساس مقدار تنظیمشده (Set Point) بهصورت دقیقتری عمل کنند. نصب و راهاندازی فلوسوئیچهای خطی در مسیر جریان سیال امکانپذیر است و این ویژگی آنها را به ابزاری موثر برای نظارت و کنترل در سیستمهای مختلف تبدیل میکند.

فلوسوئیچهای پیستونی، یکی از رایجترین انواع فلو سوئیچها، از یک پیستون و یک فنر تشکیل شدهاند که با حرکت جریان سیال به کنترل دقیق سیستم کمک میکنند. این مکانیزم به گونهای طراحی شده است که هنگامی که جریان سیال به مقدار از پیش تعیینشده میرسد، پیستون تحت فشار قرار میگیرد و سوئیچ فعال میشود. در این فرآیند، فنر به پیستون اجازه میدهد تا به حالت اولیه خود برگردد، که این ویژگی به عملکرد بهینه و طول عمر مفید این سوئیچها میافزاید.
فلو سوئیچهای پیستونی بهویژه در صنایع هیدرولیکی و پنوماتیکی کاربرد دارند و در سیستمهایی با دبی پایین مورد استفاده قرار میگیرند. این سوئیچها بهخوبی در تشخیص جریان کم در خطوط خنککننده و سیستمهای روغنکاری، و همچنین در کاربردهای مرتبط با فشار بالا، روغن، هوا، آب و گازها عملکرد دارند. با توجه به دقت بالا و قابلیت اطمینان این فلوسوئیچها، انتخاب آنها برای کنترل جریان در فرآیندهای صنعتی گزینهای هوشمندانه و مقرون به صرفه است.

فلوسوئیچهای حرارتی، که با نامهای تجاری مختلفی مانند ترمال فلوسوئیچ یا فلوسوئیچ گرمایشی شناخته میشوند، بهمنظور اندازهگیری جریان سیالات مایع و گازی در صنعت مورد استفاده قرار میگیرند. این تجهیزات بر اساس اصل انتقال حرارت عمل میکنند و شامل دو سنسور دما هستند. یکی از این سنسورها بهعنوان سنسور آشکارساز در معرض جریان سیال قرار میگیرد و دیگری در نقطه مرجع برای اندازهگیری دما قرار دارد. هنگام عبور سیال، حرارت از سنسور داخلی به سنسور خارجی منتقل میشود و با تغییر سرعت جریان، اختلاف دما بین این دو سنسور تغییر میکند.
با افزایش سرعت جریان، اختلاف دما کاهش مییابد و هنگامی که این اختلاف به نقطه تنظیمشده (set point) برسد، سوئیچ فعال میشود و سیگنال الکتریکی ارسال میکند. این عملکرد بدون قطعات متحرک بوده و به همین دلیل طول عمر بالایی دارد. فلوسوئیچهای حرارتی بهویژه برای محافظت از پمپها و سیستمهای روغنکاری و همچنین در مونیتورینگ سیرکولاسیون آب و روغن کاربرد دارند. این محصولات مناسب برای استفاده در سیستمهای هیدرولیک و پنوماتیک هستند و میتوانند بهطور مؤثری در جلوگیری از بروز مشکلات ناشی از افزایش دما (overheating) در فرآیند تولید و کاهش کیفیت محصولات نقش ایفا کنند. با نصب فلوسوئیچ حرارتی، میتوان از وجود مقدار کافی آب خنککننده در فرآیند تولید اطمینان حاصل کرد و به بهینهسازی عملکرد سیستم کمک نمود.
فلوسوئیچهای توربینی نوعی سوئیچ جریان هستند که با استفاده از توربینی که در مسیر جریان آب قرار دارد، عمل میکنند. با عبور سیال، پروانه توربین به چرخش درآمده و این چرخش میدان مغناطیسی ایجاد میکند که توسط سنسور موجود در فلوسوئیچ شناسایی میشود. این نوع فلو سوئیچ بهویژه در شرایطی که جریان سیال کم و همچنین دما و فشار فرآیند پایین است، مانند سیستمهای پکیج، کاربرد دارد. با توجه به دقت و عملکرد مؤثر این دستگاه، کاربران میتوانند بهراحتی و با اطمینان جریان سیالات را در سیستمهای خود کنترل کنند و به این ترتیب در انتخاب محصول مناسب به اطلاعات بیشتری دست یابند.
فلوسوئیچ التراسونیک نوعی سوئیچ جریان است که به منظور تشخیص جریان مایع یا گاز، در خارج از لولههای عبور سیال نصب میشود. این سوئیچ با استفاده از فناوری التراسونیک عمل میکند و به محض تغییر جریان سیال، سیگنال التراسونیک تولید میکند. در مواقعی که میزان جریان از مقدار تعیین شده (ست پوینت) بیشتر یا کمتر شود، یک سیگنال قطع یا وصل یا هشدار به سایر تجهیزات نظیر پمپ و موتور ارسال میشود.
این فلوسوئیچها بهدلیل طراحی غیرتماسی خود، نیازی به قرارگیری در مسیر سیال ندارند و میتوانند بر روی جداره لوله نصب شوند. با تغییر جریان سیال، سنسور جریان الکتریکی تولید کرده و این اطلاعات را به اتاق کنترل منتقل میکند. لازم به ذکر است که سنسورهای التراسونیک بر اساس اثر داپلر کار میکنند و برای کارایی مناسب، به وجود ناخالصی یا حباب در سیال نیاز دارند، به همین دلیل بیشتر در سیالات مایع ناخالص مانند فاضلاب شهری کاربرد دارند. همچنین، نصب سنسور بر روی بدنه لوله باید بهگونهای انجام شود که لوله بدون روکش باشد یا فلو سوئیچ دارای محفظهای باشد تا سیال مورد سنجش قرار گیرد. این ویژگیها باعث میشود تا فلوسوئیچ التراسونیک انتخابی عالی برای کنترل و نظارت بر جریان سیالات در صنایع مختلف باشد.
فلوسوئیچهای چیلر تراکمی بر اساس نوع کاربری به دو دسته فلوسوئیچ تیغهای و فلوسوئیچ خطی تقسیم میشوند. فلوسوئیچ تیغهای برای سیستمهای تراکمی با فشارهای بالا و جریانهای متغیر مناسب است، زیرا تیغه آن بهراحتی با تغییرات جریان سازگار شده و اطلاعات را بهصورت دقیق ارسال میکند. این نوع فلوسوئیچ در انواع چیلرهای صنعتی و تجاری کاربرد دارد. فلوسوئیچ خطی نیز در مواقعی که به دقت بیشتری برای کنترل جریان نیاز است، استفاده میشود و بهویژه در سیستمهای با جریان ثابت و فشارهای کم عملکرد مطلوبی دارد. هرکدام از این انواع بر اساس نیاز و ویژگیهای سیستم انتخاب میشوند و کارایی بهینهای در حفظ عملکرد سیستم خنککننده ارائه میدهند. انتخاب صحیح نوع فلوسوئیچ، به افزایش عمر مفید چیلر و بهبود عملکرد آن کمک میکند.

فلوسوئیچ چیلر تراکمی بهعنوان یک عنصر اساسی در سیستمهای خنککننده، برای نظارت و کنترل جریان سیال به کار میرود. این دستگاه با تشخیص جریان مبرد یا آب در سیستم، از عملکرد صحیح چیلر اطمینان حاصل میکند. عملکرد اصلی فلوسوئیچ به این صورت است که در صورت توقف یا کاهش جریان، بلافاصله سیستم کنترل را مطلع کرده و اقدام به قطع جریان میکند تا از وارد شدن آسیب به اجزای حیاتی چیلر مانند کمپرسور و کندانسور جلوگیری شود. در چیلرهای تراکمی، فلوسوئیچ با حفظ جریان مستمر و جلوگیری از اختلالات جریان سیال، به بهبود راندمان و کاهش مصرف انرژی کمک میکند. همچنین، این دستگاه در صنایع مختلف از جمله صنایع داروسازی، پتروشیمی، و خنکسازی تجهیزات صنعتی کاربرد فراوان دارد و با کنترل بهینه جریان سیال، از افزایش دمای ناگهانی و اختلال در عملکرد سیستمها جلوگیری میکند.
فلوسوئیچها بهطور کلی در دو نوع الکترومکانیکی و الکترونیکی تولید میشوند و اساس کار آنها بر مبنای شناسایی جریان مایع است. در مدلهای الکترومکانیکی، یک تیغه به جریان مایع حساس است و در هنگام کاهش یا افزایش جریان، تیغه تغییر موقعیت داده و سیگنالی را به سیستم ارسال میکند. در مدلهای الکترونیکی، سنسورهای حساس به جریان مایع متصل شده و در صورت نیاز به کنترل، به طور خودکار سیگنالهای لازم را برای تنظیم جریان ارسال میکنند. این قطعات به طور کلی با کمک برنامهریزیهای دقیق و استفاده از مواد باکیفیت ساخته میشوند تا در برابر شرایط مختلف محیطی از جمله تغییرات دما و فشار، عملکرد بهینهای داشته باشند.

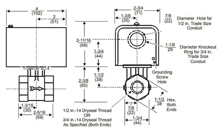
فلوسوئیچها از ساختار مختلفی تشکیل شدهاند که هر کدام نقش ویژهای در عملکرد بهینه آن ایفا میکنند. بدنه فلوسوئیچها از جنس فلزاتی مانند برنج، استیل ضدزنگ یا آلیاژهای مقاوم ساخته میشود که در برابر خوردگی و فشار بالا مقاومت مناسبی دارند. تیغه یا پروانه فلوسوئیچ نیز بسته به نوع آن از جنسهای مختلفی چون پلاستیک مقاوم یا استیل ساخته میشود که با حرکت جریان، عملکرد فلوسوئیچ را فعال میکند.
سنسور جریان نیز که وظیفه اصلی اندازهگیری شدت و سرعت جریان سیال را دارد، در فلوسوئیچهای الکترونیکی به کار رفته و اطلاعات دقیقی به واحد کنترل ارسال میکند. مشخصات فنی این دستگاه شامل فشار کاری، دمای عملیاتی، و دقت اندازهگیری است که بسته به نوع و مدل فلوسوئیچ متفاوت خواهد بود. انتخاب فلوسوئیچ مناسب با مشخصات فنی منطبق با نیاز سیستم، کارایی و طول عمر چیلر را افزایش میدهد.
همانطور که اشاره شد، این فلوسوئیچ دارای کنتاکت SPDT (Single Pole, Double Throw) است. این یعنی سه ترمینال برای اتصال سیم دارد:
| مشکل | دلایل احتمالی | راه حل |
| سوئیچ با وجود جریان فعال نمیشود. | ۱. حساسیت فلوسوئیچ روی عدد بالایی تنظیم شده است. ۲. جهت نصب اشتباه است. ۳. پَدَل به دلیل وجود رسوب یا مانع گیر کرده است. ۴. اندازه پَدَل برای قطر لوله کوچک است. ۵. شدت جریان واقعی کمتر از حد مورد نیاز است. | ۱. پیچ تنظیم حساسیت را به سمت جریان کمتر بچرخانید. ۲. جهت فلش روی بدنه را با جهت جریان آب مطابقت دهید. ۳. دستگاه را باز کرده و پَدَل را تمیز کنید. ۴. از پَدَل مناسب با قطر لوله استفاده کنید. ۵. پمپ و فیلترها را بررسی کنید. |
| سوئیچ حتی بدون جریان هم فعال است. | ۱. پَدَل در حالت فعال گیر کرده است (به دلیل رسوب یا خرابی). ۲. میکروسوئیچ داخلی خراب شده و کنتاکت آن چسبیده است. ۳. پیچ تنظیم حساسیت روی حداقل ممکن تنظیم شده است. | ۱. پَدَل را بررسی و تمیز کنید. ۲. با استفاده از مولتیمتر، عملکرد میکروسوئیچ را تست کنید. در صورت خرابی، دستگاه باید تعویض شود. ۳. حساسیت را مجدداً تنظیم کنید. |
| سوئیچ به طور متناوب قطع و وصل میشود. | ۱. محل نصب نزدیک به زانویی، پمپ یا شیر است و جریان دچار تلاطم (Turbulence) است. ۲. شدت جریان دقیقاً در مرز نقطه تنظیم قرار دارد. | ۱. فلوسوئیچ را در محلی با جریان آرامتر (فاصله ۵ برابر قطر لوله از موانع) نصب کنید. ۲. پیچ تنظیم حساسیت را کمی تغییر دهید. |
انتخاب محل مناسب برای نصب فلوسوئیچ در سیستم چیلر تراکمی از اهمیت بالایی برخوردار است، زیرا محل نصب نادرست میتواند موجب کاهش کارایی دستگاه و حتی آسیب به سایر قطعات سیستم شود. به طور معمول، فلوسوئیچ در مسیر جریان مایع خنککننده و پیش از ورود به کمپرسور یا کندانسور نصب میشود تا هرگونه تغییر در جریان را شناسایی و کنترل کند. نصب صحیح این دستگاه در مکانی که به راحتی قابل دسترسی باشد، همچنین از مشکلاتی مانند انسداد و افت فشار جلوگیری کرده و کارکرد بهینه دستگاه را تضمین میکند. در نظر داشته باشید که محل نصب باید به گونهای انتخاب شود که فلوسوئیچ بتواند بهطور مستقیم جریان مایع را حس کند و در صورت تغییرات ناگهانی، اقدامات لازم را انجام دهد.
برای خرید فلوسوئیچ چیلر از برند معتبر و باکیفیت مستر کول، میتوانید با کارشناسان ما تماس گرفته و از مشاوره تخصصی بهرهمند شوید. مسترکول با ارائه فلوسوئیچهای متنوع، گزینهای ایدهآل برای مصرفکنندگان خانگی و صنعتی است و با تمرکز بر کیفیت، محصولات خود را با ضمانت اصالت و قیمت رقابتی عرضه میکند. در انتخاب فلوسوئیچ مناسب، توجه به نوع کاربرد، فشار و دمای عملیاتی، کیفیت ساخت و برند سازنده بسیار اهمیت دارد.
در ادامه به پارامترهای مهم برای انتخاب فلوسوئیچ چیلر اشاره میکنیم که میتواند در خرید و انتخاب بهتر به شما کمک کند:
برای اطلاع از لیست قیمت روز و شرایط خرید، به صفحه محصولات فلوسوئیچ مستر کول مراجعه کرده یا با کارشناسان ما تماس بگیرید تا تجربه خریدی مطمئن و رضایتبخش داشته باشید.
در هنگام خرید فلوسوئیچ چیلر، توجه به چندین عامل کلیدی میتواند به انتخاب بهتر و خریدی مطمئنتر کمک کند. برای انتخاب صحیح، لازم است نوع فلوسوئیچ (تیغهای یا خطی)، جنس بدنه و مقاومت آن در برابر خوردگی، دمای عملیاتی و فشار کاری سیستم به دقت بررسی شود. علاوه بر این، برند تولیدکننده و اعتبار آن، نقش مهمی در کیفیت و عمر مفید فلوسوئیچ دارد. برخی برندها از قطعاتی باکیفیتتر و دقت بالاتر استفاده میکنند که برای سیستمهای حساس و صنعتی مناسبتر است. همچنین، شرایط گارانتی و خدمات پس از فروش از دیگر عوامل مهم است که هنگام خرید باید به آن توجه شود. در مستر کول، میتوانید فلوسوئیچهای متنوع از برندهای معتبر را با تضمین کیفیت و قیمت رقابتی تهیه کنید. برای راهنمایی بیشتر در انتخاب و خرید فلوسوئیچ چیلر، کارشناسان ما آماده ارائه مشاوره تخصصی هستند.
گارانتی و خدمات پس از فروش فلوسوئیچ شرکت مسترکول، نمایانگر کیفیت و کارایی بالا در محصولات ماست. با خرید از مسترکول، شما به اصالت و سلامت کامل کالاها اطمینان خواهید داشت. در صورت بروز هرگونه نقص فنی در فلوسوئیچ خریداریشده، تنها کافیست با تیم پشتیبانی تخصصی ما تماس بگیرید تا در سریعترین زمان ممکن به حل مشکل بپردازیم. ما در مسترکول متعهد به تعویض کامل محصولاتی هستیم که به دلیل مشکلات فنی نیاز به بازگشت دارند، به شرطی که این بازگشت قبل از جوشکاری، نصب یا اتصال انجام شود. با گارانتی سلامت و خدمات پس از فروش ممتاز، تجربه خریدی مطمئن و بدون دغدغه را برای شما فراهم میسازیم.